通过了ISO9001质量管理体系认证和CE产品安全认证,I类及II类防爆产品认证,并拥有多项科技成果
					
						拥有高精度CNC数控机群、全自动绕线机、机器人铜焊机、PLC控制的自动BMC塑料封装机、电磁铁静动态特性智能测试系统、磁芯管耐油压试验台、磁芯管脉冲疲劳试验台等各种现代化的加工制造设备和检测仪器
					本系列电磁铁适用于单相桥式全波整流的直流电源,电压至220V的控制电路中,作为液压电磁换向阀的动力元件。可配套于德国力士乐(REXRORH)六、十通径螺纹连接电磁换向阀。
| 型号 | 额定电压(V) | 额定吸力(N) | 额定行程(mm) | 全行程(mm) | 消耗功率(W) | 承受静态油压(MPa) | 操作频率(T/h) | 线圈内孔直径(mm) | 本整方式 | 
|---|---|---|---|---|---|---|---|---|---|
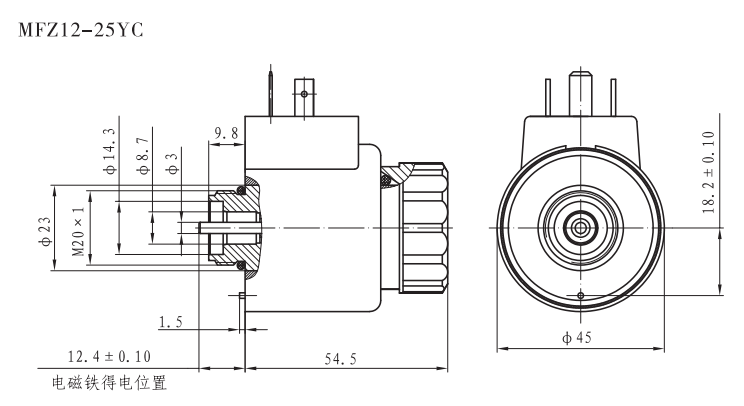
| MFZ12-25YC | 
                                                                    12/24 110/220  | 
                                                            
                                                                    ≥25 | 
                                                            
                                                                    2.8 | 
                                                            
                                                                    ≥6.1 | 
                                                            
                                                                    ≤26 | 
                                                            
                                                                    21 | 
                                                            
                                                                    ≤12000 | 
                                                            
                                                                    φ23 | 
                                                            
                                                                    - | 
                                                    
| MFZ12-22YC | 
                                                                    12/24 110/220  | 
                                                            
                                                                    ≥22 | 
                                                            
                                                                    2.8 | 
                                                            
                                                                    ≥6.1 | 
                                                            
                                                                    ≤30 | 
                                                            
                                                                    19 | 
                                                            
                                                                    ≤12000 | 
                                                            
                                                                    φ16 | 
                                                            
                                                                    - | 
                                                    
| MFZ12-37YC | 
                                                                    12/24 110/220  | 
                                                            
                                                                    ≥37 | 
                                                            
                                                                    2.8 | 
                                                            
                                                                    ≥6.1 | 
                                                            
                                                                    ≤30 | 
                                                            
                                                                    21 | 
                                                            
                                                                    ≤12000 | 
                                                            
                                                                    φ23 | 
                                                            
                                                                    - | 
                                                    
| MFZ12A-37YC | 
                                                                    12/24 110/220  | 
                                                            
                                                                    ≥37 | 
                                                            
                                                                    2.8 | 
                                                            
                                                                    ≥6.1 | 
                                                            
                                                                    ≤30 | 
                                                            
                                                                    21 | 
                                                            
                                                                    ≤12000 | 
                                                            
                                                                    φ23 | 
                                                            
                                                                    - | 
                                                    
| MFB12-37YC | 
                                                                    110/220 | 
                                                            
                                                                    ≥37 | 
                                                            
                                                                    2.8 | 
                                                            
                                                                    ≥6.1 | 
                                                            
                                                                    ≤30 | 
                                                            
                                                                    21 | 
                                                            
                                                                    ≤12000 | 
                                                            
                                                                    φ23 | 
                                                            
                                                                    内置/外置 | 
                                                    
| MFZ12-90YC | 
                                                                    12/24 110/220  | 
                                                            
                                                                    ≥90 | 
                                                            
                                                                    4 | 
                                                            
                                                                    ≥9 | 
                                                            
                                                                    ≤36 | 
                                                            
                                                                    21 | 
                                                            
                                                                    ≤12000 | 
                                                            
                                                                    φ31.4 | 
                                                            
                                                                    - | 
                                                    
| MFZ12A-90YC | 
                                                                    12/24 110/220  | 
                                                            
                                                                    ≥90 | 
                                                            
                                                                    4 | 
                                                            
                                                                    ≥9 | 
                                                            
                                                                    ≤36 | 
                                                            
                                                                    21 | 
                                                            
                                                                    ≤12000 | 
                                                            
                                                                    φ31.4 | 
                                                            
                                                                    - | 
                                                    
