通过了ISO9001质量管理体系认证和CE产品安全认证,I类及II类防爆产品认证,并拥有多项科技成果
					
						拥有高精度CNC数控机群、全自动绕线机、机器人铜焊机、PLC控制的自动BMC塑料封装机、电磁铁静动态特性智能测试系统、磁芯管耐油压试验台、磁芯管脉冲疲劳试验台等各种现代化的加工制造设备和检测仪器
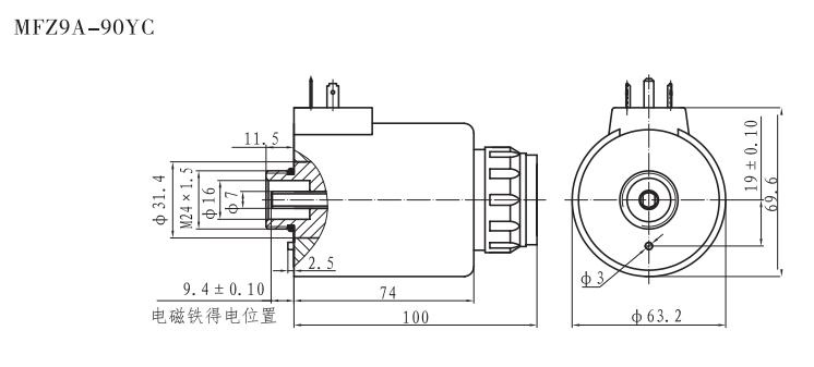
					本系列电磁铁适用于单相桥式全波整流的直流电源,电压至220V的控制电路中,作为液压电磁换向阀的动力元件。可配套于日本油研型(YUKEN)六、十通径接线盒式螺纹连接的电磁换向阀。
| 型号 | 额定电压(V) | 额定吸力(N) | 额定行程(mm) | 全行程(mm) | 消耗功率(W) | 承受静态油压(MPa) | 操作频率(T/h) | 线圈内孔直径(mm) | 
|---|---|---|---|---|---|---|---|---|
| MFZ9A-90YC | 
                                                                    12/24 | 
                                                            
                                                                    ≥90 | 
                                                            
                                                                    4 | 
                                                            
                                                                    ≥8.5 | 
                                                            
                                                                    ≤36 | 
                                                            
                                                                    21 | 
                                                            
                                                                    ≤12000 | 
                                                            
                                                                    φ26 | 
                                                    
| MFZ9A-20YC | 
                                                                    12/24 100/220  | 
                                                            
                                                                    ≥20 | 
                                                            
                                                                    3 | 
                                                            
                                                                    ≥6 | 
                                                            
                                                                    ≤28 | 
                                                            
                                                                    19 | 
                                                            
                                                                    ≤12000 | 
                                                            
                                                                    φ19 | 
                                                    
| MFZ9A-20YC(SG) | 
                                                                    12/24 | 
                                                            
                                                                    ≥20 | 
                                                            
                                                                    3 | 
                                                            
                                                                    ≥6 | 
                                                            
                                                                    ≤30 | 
                                                            
                                                                    19 | 
                                                            
                                                                    ≤12000 | 
                                                            
                                                                    φ19 | 
                                                    
| MFJ9A-26YC | 
                                                                    100/110/120/200/220/240 | 
                                                            
                                                                    ≥26 | 
                                                            
                                                                    3 | 
                                                            
                                                                    ≥6 | 
                                                            
                                                                    ≤26 | 
                                                            
                                                                    19 | 
                                                            
                                                                    ≤12000 | 
                                                            
                                                                    φ20 | 
                                                    
| MFJ9-26YC(HP) | 
                                                                    110/220 | 
                                                            
                                                                    ≥26 | 
                                                            
                                                                    3 | 
                                                            
                                                                    ≥6 | 
                                                            
                                                                    ≤26 | 
                                                            
                                                                    19 | 
                                                            
                                                                    ≤12000 | 
                                                            
                                                                    φ20 | 
                                                    
| MFZ9A-42YC | 
                                                                    12/24 | 
                                                            
                                                                    ≥25 | 
                                                            
                                                                    3 | 
                                                            
                                                                    ≥6 | 
                                                            
                                                                    ≤38 | 
                                                            
                                                                    21 | 
                                                            
                                                                    ≤12000 | 
                                                            
                                                                    φ23 | 
                                                    
| MFZ9A-37YC | 
                                                                    12/24 | 
                                                            
                                                                    ≥37 | 
                                                            
                                                                    3 | 
                                                            
                                                                    ≥6.1 | 
                                                            
                                                                    ≤30 | 
                                                            
                                                                    21 | 
                                                            
                                                                    ≤12000 | 
                                                            
                                                                    φ23 | 
                                                    
| MFJ9A-50YC | 
                                                                    100/110/120/200/220/240 | 
                                                            
                                                                    ≥50 | 
                                                            
                                                                    4 | 
                                                            
                                                                    ≥8.5 | 
                                                            
                                                                    ≤55 | 
                                                            
                                                                    21 | 
                                                            
                                                                    ≤12000 | 
                                                            
                                                                    φ26 | 
                                                    
| MFZ9A-55YC | 
                                                                    12/24 100/220  | 
                                                            
                                                                    ≥55 | 
                                                            
                                                                    4 | 
                                                            
                                                                    ≥8.5 | 
                                                            
                                                                    ≤42 | 
                                                            
                                                                    21 | 
                                                            
                                                                    ≤12000 | 
                                                            
                                                                    φ26 | 
                                                    
