通过了ISO9001质量管理体系认证和CE产品安全认证,I类及II类防爆产品认证,并拥有多项科技成果
					
						拥有高精度CNC数控机群、全自动绕线机、机器人铜焊机、PLC控制的自动BMC塑料封装机、电磁铁静动态特性智能测试系统、磁芯管耐油压试验台、磁芯管脉冲疲劳试验台等各种现代化的加工制造设备和检测仪器
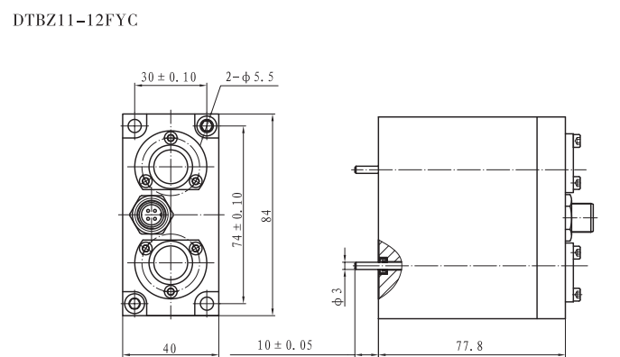
					本系列产品是本安型液压阀用电磁铁Ex ib Ⅰ Mb,限制电磁铁可能产生点燃爆炸性混合物的电弧、火花或高温的能量,从而使电磁铁在正常运行或认可的过载或故障情况下均不能点燃周围爆炸混合物。
该电磁铁低功率采用低的工作电压和小的工作电流,以保证在正常及故障时所产生的火花能量不足以点燃爆炸性混合物。主要用于煤矿液压支架电控系统中。
| 型号 | 额定电压(V) | 常态电阻(Ω) | 额定吸力(N) | 全行程(mm) | 耐温等级 | 外壳防护等级 | 
|---|---|---|---|---|---|---|
| DTBZ11-12FYC | 
                                                                    12 | 
                                                            
                                                                    105 | 
                                                            
                                                                    10 | 
                                                            
                                                                    2.3 | 
                                                            
                                                                    H | 
                                                            
                                                                    IP65 | 
                                                    
| DTBZ11-10FYC | 
                                                                    12 | 
                                                            
                                                                    105 | 
                                                            
                                                                    10 | 
                                                            
                                                                    2.3 | 
                                                            
                                                                    H | 
                                                            
                                                                    IP65 | 
                                                    
| DTBZ11-10FYC(Z) | 
                                                                    12 | 
                                                            
                                                                    105 | 
                                                            
                                                                    10 | 
                                                            
                                                                    2.2 | 
                                                            
                                                                    H | 
                                                            
                                                                    IP67 | 
                                                    
| 6085 | 
                                                                    12 | 
                                                            
                                                                    53 | 
                                                            
                                                                    70 | 
                                                            
                                                                    4 | 
                                                            
                                                                    H | 
                                                            
                                                                    IP65 | 
                                                    
