通过了ISO9001质量管理体系认证和CE产品安全认证,I类及II类防爆产品认证,并拥有多项科技成果
					
						拥有高精度CNC数控机群、全自动绕线机、机器人铜焊机、PLC控制的自动BMC塑料封装机、电磁铁静动态特性智能测试系统、磁芯管耐油压试验台、磁芯管脉冲疲劳试验台等各种现代化的加工制造设备和检测仪器
					本系列产品在直流电液比例控制系统中与比例放大器配套共同应用于比例溢流阀或比例方向阀。通过输入电流在额定范围内的无级调节,可实现液压系统的无级调节和远距离控制。
| 型号 | 额定电流(A) | 常态电阻(Ω) | 额定吸力(N) | 额定行程(mm) | 全行程(mm) | 力滞环(%) | 电流滞环(%) | 重复精度(%) | 承受静态油压(MPa) | 耐热等级 | 
|---|---|---|---|---|---|---|---|---|---|---|
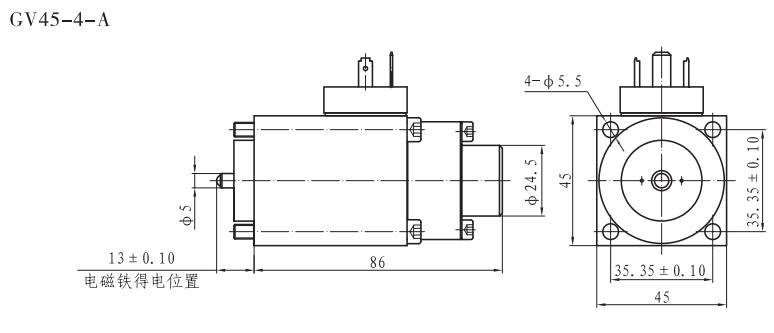
| GV45-4-A | 
                                                                    0.8 | 
                                                            
                                                                    19.5 | 
                                                            
                                                                    90 | 
                                                            
                                                                    1.7 | 
                                                            
                                                                    1.7 | 
                                                            
                                                                    ≤4 | 
                                                            
                                                                    ≤3 | 
                                                            
                                                                    ≤1 | 
                                                            
                                                                    21 | 
                                                            
                                                                    H | 
                                                    
| GV45A4-A | 
                                                                    0.8 | 
                                                            
                                                                    19.5 | 
                                                            
                                                                    90 | 
                                                            
                                                                    1.7 | 
                                                            
                                                                    1.7 | 
                                                            
                                                                    ≤4 | 
                                                            
                                                                    ≤3 | 
                                                            
                                                                    ≤1 | 
                                                            
                                                                    21 | 
                                                            
                                                                    H | 
                                                    
| GP45-4-A | 
                                                                    0.8 | 
                                                            
                                                                    19.5 | 
                                                            
                                                                    80 | 
                                                            
                                                                    3 | 
                                                            
                                                                    6 | 
                                                            
                                                                    ≤4 | 
                                                            
                                                                    ≤2 | 
                                                            
                                                                    ≤1 | 
                                                            
                                                                    21 | 
                                                            
                                                                    F | 
                                                    
