通过了ISO9001质量管理体系认证和CE产品安全认证,I类及II类防爆产品认证,并拥有多项科技成果
					
						拥有高精度CNC数控机群、全自动绕线机、机器人铜焊机、PLC控制的自动BMC塑料封装机、电磁铁静动态特性智能测试系统、磁芯管耐油压试验台、磁芯管脉冲疲劳试验台等各种现代化的加工制造设备和检测仪器
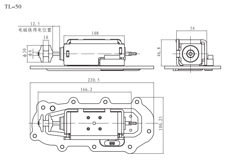
					本产品为气动电磁铁,通过电磁输入电流的大小控制系统的流量或压力,从而实现系统执行机构在额定工作范围内的远距离调控。
| 型号 | 额定电压(V) | 额定吸力(N) | 额定行程(mm) | 全行程(mm) | 消耗功率(W) | 承受静态油压(MPa) | 外壳防护等级 | 耐温等级 | 
|---|---|---|---|---|---|---|---|---|
| TL-50 | 
                                                                    24 | 
                                                            
                                                                    40 | 
                                                            
                                                                    10.5 | 
                                                            
                                                                    11.5 | 
                                                            
                                                                    25 | 
                                                            
                                                                    - | 
                                                            
                                                                    IP67 | 
                                                            
                                                                    H | 
                                                    
