通过了ISO9001质量管理体系认证和CE产品安全认证,I类及II类防爆产品认证,并拥有多项科技成果
					
						拥有高精度CNC数控机群、全自动绕线机、机器人铜焊机、PLC控制的自动BMC塑料封装机、电磁铁静动态特性智能测试系统、磁芯管耐油压试验台、磁芯管脉冲疲劳试验台等各种现代化的加工制造设备和检测仪器
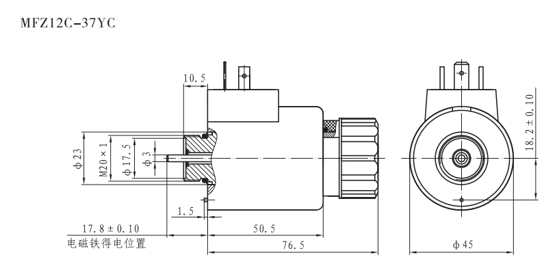
					本电磁铁适用于单相桥式全波整流的直流电源,电压至220V的控制电路中,作为液压电磁换向阀的动力元件。可配套于德国力士乐(REXROTH)六通径电磁球阀。
| 型号 | 额定电压(V) | 额定吸力(N) | 额定行程(mm) | 全行程(mm) | 消耗功率(W) | 承受静态油压(MPa) | 操作频率(T/h) | 线圈内孔直径(mm) | 
|---|---|---|---|---|---|---|---|---|
| MFZ12C-37YC | 
                                                                    12/24/110/220 | 
                                                            
                                                                    ≥30 | 
                                                            
                                                                    1.2 | 
                                                            
                                                                    ≥2.5 | 
                                                            
                                                                    ≤30 | 
                                                            
                                                                    21 | 
                                                            
                                                                    ≤12000 | 
                                                            
                                                                    φ23 | 
                                                    
| MFJ12B-37YC | 
                                                                    12/24/110/220 | 
                                                            
                                                                    ≥30 | 
                                                            
                                                                    5 | 
                                                            
                                                                    ≥5.1 | 
                                                            
                                                                    ≤30 | 
                                                            
                                                                    21 | 
                                                            
                                                                    ≤12000 | 
                                                            
                                                                    φ23 | 
                                                    
