通过了ISO9001质量管理体系认证和CE产品安全认证,I类及II类防爆产品认证,并拥有多项科技成果
					
						拥有高精度CNC数控机群、全自动绕线机、机器人铜焊机、PLC控制的自动BMC塑料封装机、电磁铁静动态特性智能测试系统、磁芯管耐油压试验台、磁芯管脉冲疲劳试验台等各种现代化的加工制造设备和检测仪器
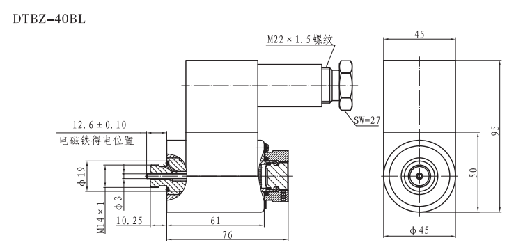
					本系列电磁铁是隔爆型液压阀用电磁铁,可配套力士乐型六通、十通比例电磁阀,作为防爆比例电磁阀的动力元件使用。
| 型号 | 使用环境 | 额定电流(A) | 额定吸力(N) | 防护等级 | 额定行程(mm) | 全行程(mm) | 承受静态油压(MPa) | 
|---|---|---|---|---|---|---|---|
| DTBZ-40BL | 
                                                                    Ex db Ⅰ Mb Ex db Ⅱ C T4 Gb  | 
                                                            
                                                                    0.8 | 
                                                            
                                                                    40 | 
                                                            
                                                                    IP65 | 
                                                            
                                                                    2.8 | 
                                                            
                                                                    ≥5 | 
                                                            
                                                                    21 | 
                                                    
