通过了ISO9001质量管理体系认证和CE产品安全认证,I类及II类防爆产品认证,并拥有多项科技成果
					
						拥有高精度CNC数控机群、全自动绕线机、机器人铜焊机、PLC控制的自动BMC塑料封装机、电磁铁静动态特性智能测试系统、磁芯管耐油压试验台、磁芯管脉冲疲劳试验台等各种现代化的加工制造设备和检测仪器
					插装电磁铁作为插装阀的动力元件,通常设计为插入式结构,安装简便,可快速替换和调整,这使得其在工业自动化领域的应用变得尤为便捷。插装电磁铁有较高的工作稳定性和可靠性,能够长时间保持稳定的工作状态,适用于工业生产中的连续运行。可根据需要设计成不同形状和规格,满足不同工作场景的需求,具有较强的实用性。在工业自动化、水处理、冶金、化工、医药等领域得到了广泛的应用。
| 型号 | 额定电流(A) | 常态电阻(Ω) | 防护等级 | 耐温等级 | 
|---|---|---|---|---|
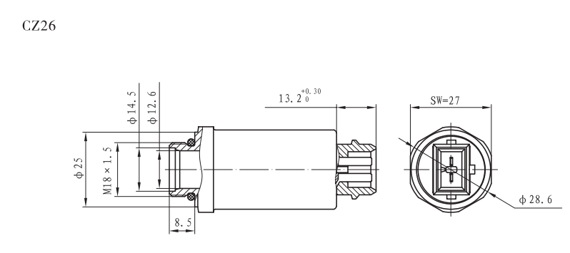
| CZ26 | 
                                                                    0.8 (其他电压可定制)  | 
                                                            
                                                                    11.8 | 
                                                            
                                                                     IP67 | 
                                                            
                                                                    H | 
                                                    
| CZ17 | 
                                                                    0.8 (其他电压可定制)  | 
                                                            
                                                                    7.3 | 
                                                            
                                                                     IP67 | 
                                                            
                                                                    H | 
                                                    
| CZ30 | 
                                                                    0.8 (其他电压可定制)  | 
                                                            
                                                                    17 | 
                                                            
                                                                     IP67 | 
                                                            
                                                                    H | 
                                                    
