通过了ISO9001质量管理体系认证和CE产品安全认证,I类及II类防爆产品认证,并拥有多项科技成果
					
						拥有高精度CNC数控机群、全自动绕线机、机器人铜焊机、PLC控制的自动BMC塑料封装机、电磁铁静动态特性智能测试系统、磁芯管耐油压试验台、磁芯管脉冲疲劳试验台等各种现代化的加工制造设备和检测仪器
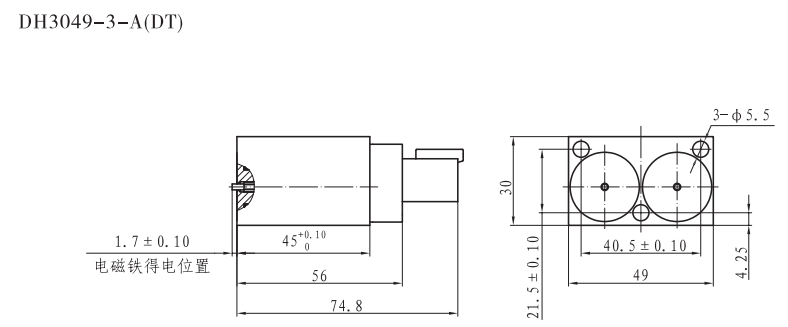
					本系列产品是双头比例电磁铁,主要用于负载敏感比例多路阀,配套于工程机械车辆,实现液压系统执行机构在额定范围内无级调速和远距离控制。
| 型号 | 额定电流(A) | 常态电阻(Ω) | 额定吸力(N) | 额定行程(mm) | 全行程(mm) | 力滞环(%) | 电流滞环(%) | 重复精度(%) | 承受静态油压(MPa) | 外壳防护等级 | 耐热等级 | 
|---|---|---|---|---|---|---|---|---|---|---|---|
| DH3049-3-A(DT) | 
                                                                    0.63 1.26  | 
                                                            
                                                                    27.2 6.7  | 
                                                            
                                                                    22 | 
                                                            
                                                                    1.2 | 
                                                            
                                                                    >1.8 | 
                                                            
                                                                    ≤3 | 
                                                            
                                                                    ≤3 | 
                                                            
                                                                    ≤1 | 
                                                            
                                                                    5 | 
                                                            
                                                                    IP67 | 
                                                            
                                                                    H | 
                                                    
| DH2539-3-A | 
                                                                    0.63 1.26  | 
                                                            
                                                                    27.2 6.7  | 
                                                            
                                                                    16 | 
                                                            
                                                                    1.2 | 
                                                            
                                                                    >1.8 | 
                                                            
                                                                    ≤3 | 
                                                            
                                                                    ≤3 | 
                                                            
                                                                    ≤1 | 
                                                            
                                                                    5 | 
                                                            
                                                                    IP65 | 
                                                            
                                                                    H | 
                                                    
| DH3049-3-A | 
                                                                    0.63 1.26  | 
                                                            
                                                                    27.2 6.7  | 
                                                            
                                                                    23 | 
                                                            
                                                                    1.2 | 
                                                            
                                                                    >1.8 | 
                                                            
                                                                    ≤3 | 
                                                            
                                                                    ≤3 | 
                                                            
                                                                    ≤1 | 
                                                            
                                                                    5 | 
                                                            
                                                                    IP65 | 
                                                            
                                                                    H | 
                                                    
| DH3049-3-A(T) | 
                                                                    0.63 1.26  | 
                                                            
                                                                    27.2 6.7  | 
                                                            
                                                                    23 | 
                                                            
                                                                    1.2 | 
                                                            
                                                                    >1.8 | 
                                                            
                                                                    ≤3 | 
                                                            
                                                                    ≤3 | 
                                                            
                                                                    ≤1 | 
                                                            
                                                                    5 | 
                                                            
                                                                    IP65 | 
                                                            
                                                                    H | 
                                                    
| DH3049-3-A(AMP) | 
                                                                    0.63 1.26  | 
                                                            
                                                                    27.2 6.7  | 
                                                            
                                                                    22 | 
                                                            
                                                                    1.2 | 
                                                            
                                                                    >1.8 | 
                                                            
                                                                    ≤3 | 
                                                            
                                                                    ≤3 | 
                                                            
                                                                    ≤1 | 
                                                            
                                                                    5 | 
                                                            
                                                                    IP67 | 
                                                            
                                                                    H | 
                                                    
| DH3049-3-A(DT-4P) | 
                                                                    0.63 1.26  | 
                                                            
                                                                    27.2 6.7  | 
                                                            
                                                                    22 | 
                                                            
                                                                    1.2 | 
                                                            
                                                                    >1.8 | 
                                                            
                                                                    ≤3 | 
                                                            
                                                                    ≤3 | 
                                                            
                                                                    ≤1 | 
                                                            
                                                                    5 | 
                                                            
                                                                    IP67 | 
                                                            
                                                                    H | 
                                                    
