通过了ISO9001质量管理体系认证和CE产品安全认证,I类及II类防爆产品认证,并拥有多项科技成果
					
						拥有高精度CNC数控机群、全自动绕线机、机器人铜焊机、PLC控制的自动BMC塑料封装机、电磁铁静动态特性智能测试系统、磁芯管耐油压试验台、磁芯管脉冲疲劳试验台等各种现代化的加工制造设备和检测仪器
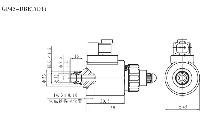
					本系列产品用于控制DBET型六通径螺纹比例阀。通过输入电流在额定范围内的无级调节,可实现液压系统执行机构在额定范围内的无级调压和远距离控制。
| 型号 | 额定电流(A) | 常态电阻(Ω) | 额定吸力(N) | 额定行程(mm) | 全行程(mm) | 电源连接方式 | 力滞环(%) | 电流滞环(%) | 重复精度(%) | 承受静态油压(MPa) | 工作油温(℃) | 外壳防护等级 | 
|---|---|---|---|---|---|---|---|---|---|---|---|---|
| GP45-DBET(DT) | 
                                                                    1.6 | 
                                                            
                                                                    5.5 | 
                                                            
                                                                    75 | 
                                                            
                                                                    2.8 | 
                                                            
                                                                    ≥3.2 | 
                                                            
                                                                    德驰式DT | 
                                                            
                                                                    ≤4 | 
                                                            
                                                                    ≤3 | 
                                                            
                                                                    ≤1 | 
                                                            
                                                                    35 | 
                                                            
                                                                    -20~+70 | 
                                                            
                                                                    IP67 | 
                                                    
| GP45-DBET | 
                                                                    1.6 | 
                                                            
                                                                    5.5 | 
                                                            
                                                                    75 | 
                                                            
                                                                    2.8 | 
                                                            
                                                                    ≥3.2 | 
                                                            
                                                                    插头式DIN | 
                                                            
                                                                    ≤4 | 
                                                            
                                                                    ≤3 | 
                                                            
                                                                    ≤1 | 
                                                            
                                                                    35 | 
                                                            
                                                                    -20~+70 | 
                                                            
                                                                    IP65 | 
                                                    
