通过了ISO9001质量管理体系认证和CE产品安全认证,I类及II类防爆产品认证,并拥有多项科技成果
					
						拥有高精度CNC数控机群、全自动绕线机、机器人铜焊机、PLC控制的自动BMC塑料封装机、电磁铁静动态特性智能测试系统、磁芯管耐油压试验台、磁芯管脉冲疲劳试验台等各种现代化的加工制造设备和检测仪器
					该系列产品用于比例变量泵和油马达的控制,通过改变比例阀芯位置,可实现对比例变量泵的输出流量或油马达转矩和转速的无级调节和远程控制。
| 型号 | 额定电流(A) | 常态电阻(Ω) | 额定吸力(N) | 额定行程(mm) | 全行程(mm) | 力滞环(%) | 电流滞环(%) | 重复精度(%) | 承受静态油压(MPa) | 耐热等级 | 
|---|---|---|---|---|---|---|---|---|---|---|
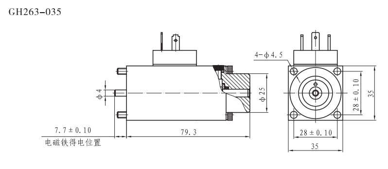
| GH263-035 | 
                                                                    0.68 | 
                                                            
                                                                    24.6 | 
                                                            
                                                                    50 | 
                                                            
                                                                    2 | 
                                                            
                                                                    2.5 | 
                                                            
                                                                    ≤4 | 
                                                            
                                                                    ≤3 | 
                                                            
                                                                    ≤1 | 
                                                            
                                                                    21 | 
                                                            
                                                                    H | 
                                                    
| GH263-045 | 
                                                                    0.8 | 
                                                            
                                                                    19.5 | 
                                                            
                                                                    75 | 
                                                            
                                                                    3 | 
                                                            
                                                                    6 | 
                                                            
                                                                    ≤4 | 
                                                            
                                                                    ≤3 | 
                                                            
                                                                    ≤1 | 
                                                            
                                                                    21 | 
                                                            
                                                                    H | 
                                                    
| GH263-060 | 
                                                                    1.11 | 
                                                            
                                                                    16.7 | 
                                                            
                                                                    145 | 
                                                            
                                                                    4 | 
                                                            
                                                                    8 | 
                                                            
                                                                    ≤4 | 
                                                            
                                                                    ≤3 | 
                                                            
                                                                    ≤1 | 
                                                            
                                                                    21 | 
                                                            
                                                                    H | 
                                                    
