玻璃钢冷却塔(逆流方型)施工安装注意事项
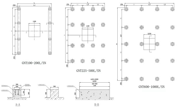
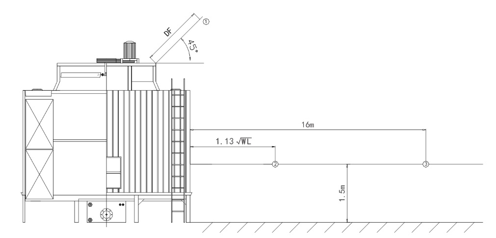
A1 场地选择 1.冷却塔应安装在通风良好的场所,尽量避开灰尘多、 酸性大、水蒸气大的场所。 2.多台安装或入风百叶面向障碍物时,过近距离会令空气产生阻抗,影响冷却能力,应保持在3m距离以上。 A2基础要领 1.冷却塔的各基础部分应平置在同一水平线上。 2.多体连接型的冷却塔,请确定各连接稳妥。 3.试运行前确保各基础安全栓已固定。 A3 配置水泵及管路施工要领 1.循环水泵及水泵前管路高度应在温水出水口水位以下,以免吸入空气。 2.配管时,请勿因为校下配管的倾斜面,使出入水口或塔体受 力或疏结变型。 3.各配管连接口请使用软接头及阀门。 A4安装施工安全 1.请在攀登上塔体施工时应确定上一步骤已连接稳妥。 2.禁止在塔体,上进行焊接等明火操作。 B1试运行时 1.请在试运行前确保马达电源、 配线、相序电源保护器的安装是否正确,马达送风机的运行方向应按标识箭头运行,使热风向上排出。 2.请在试运行时清洗管道系统及塔体各部分,避免施工残渣导致水质恶化,在加负载试机前确保水量稳定足够。 B2日常运行保养 1.新风扇皮带在前几次使用时间后,将有可能出现一定程度的松动,此时应检查并将之调至合适位置。 2.风扇减速器的润滑油位应每季度检查或补充。 3.为了防止污垢、生物粘泥、藻类等微生物产生对冷却塔的损坏,建议聘用专业的水质处理公司或内部制定定期水质处理方法,定期清洗塔内胶片等部件,可使冷却塔功能稳定及耐用。 B3 维修保养安全 在进,入塔体进行维修操作时,应首先确保塔体已停止运作及有妥善安全措施。 |







